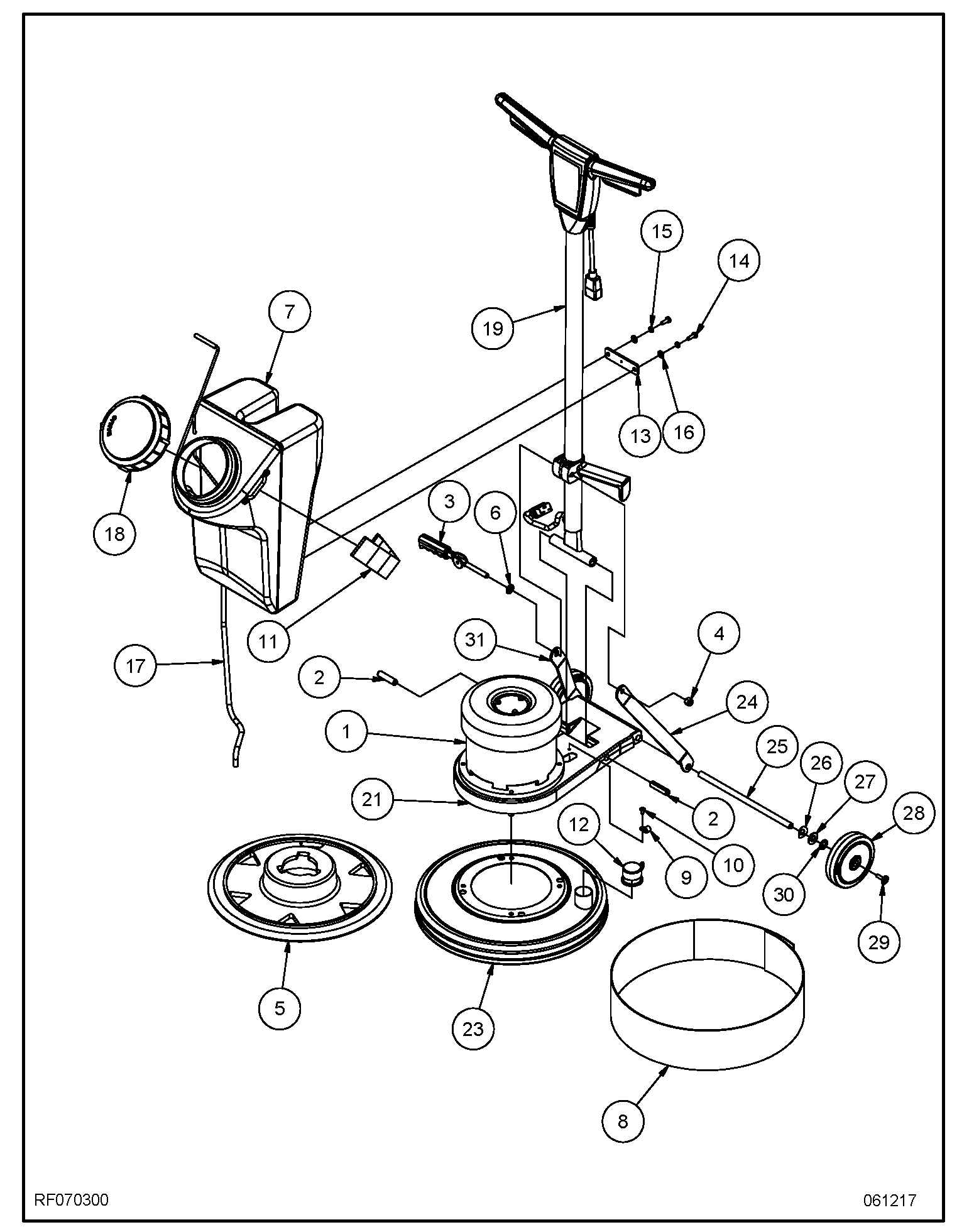
| Item | Part Number | Description | QTY | | Item | Part Number | Description | QTY |
| 1 | MP508200 | MOTOR, GEAR, 1.5HP, 230V, 2-SPEED | 1 | | 16 | NB3350 | WASHER, FLAT, 1/4" | 4 |
| 2 | 53833A | PIN SPLIT 1/2 X 2.00 ZINC | 2 | | 17 | MP473900 | TUBING, PVC, 1/4" ID X 3/8" OD, CLEAR | 1 |
| 3 | 56109699 | CAM ASSY WITH GRIP | 1 | | 18 | MP487700 | CAP, 6", TANK | 1 |
| 4 | 920342 | NUT LK 3/8 -16 REG | 1 | | 19 | MP511000 | HANDLE, ALUMINUM, EXPORT, ASM. | 1 |
| 5 | MP481100 | PAD DRIVER 17 | 1 | | 20 | 21088A | MAIN FRAME | 1 |
| 6 | 980349 | WASHER WEAR CAM | 1 | | 21 | 56381944 | HSG BRUSH ASM 17 DC | 1 |
| 7 | MP484900 | TANK ASSEMBLY, 2.5 GAL | 1 | | 22 | 61740A | LINK ARM LEFT | 1 |
| 8 | 56383098 | SKIRT, TALL, 4 IN. | 1 | | 23 | 61725A | AXLE .50 X 11.34 | 1 |
| 9 | NB021600 | CLAMP, .375"I.D., RETAINER, NYLON | 1 | | 24 | 80295A | WASHER BOWED .516ID X 1.06OD | 2 |
| 10 | NB064900 | SCREW, #10 x 1/2", TRUSS HD, PHIL. | 1 | | 25 | 980648 | WASH-17/32 ID X 1 1/16 OD PLN | 2 |
| 11 | MP368100 | STRAP, 2" x 23", OPEN ENDS | 1 | | 26 | 39857A | WHEEL 5 POLISHER | 2 |
| 12 | MP484000 | CAP, TETHERED, VINYL, 1.50 DIA. | 1 | | 27 | 80292A | SCREW .25-20 X 1.00 BHHR SEMS | 2 |
| 13 | MP486401 | BRACKET, TANK MOUNTING, 2.5 GAL | 2 | | 28 | 980673 | WASHER FLT 1/2 ID X 7/8 OD | 2 |
| 14 | NB019100 | BOLT, HEX, 1/4-20 X 3/4, GD 5 | 4 | | 29 | 61741A | LINK ARM RIGHT | 1 |
| 15 | NB6110 | WASHER, LOCK, 1/4" | 4 | | | | | |