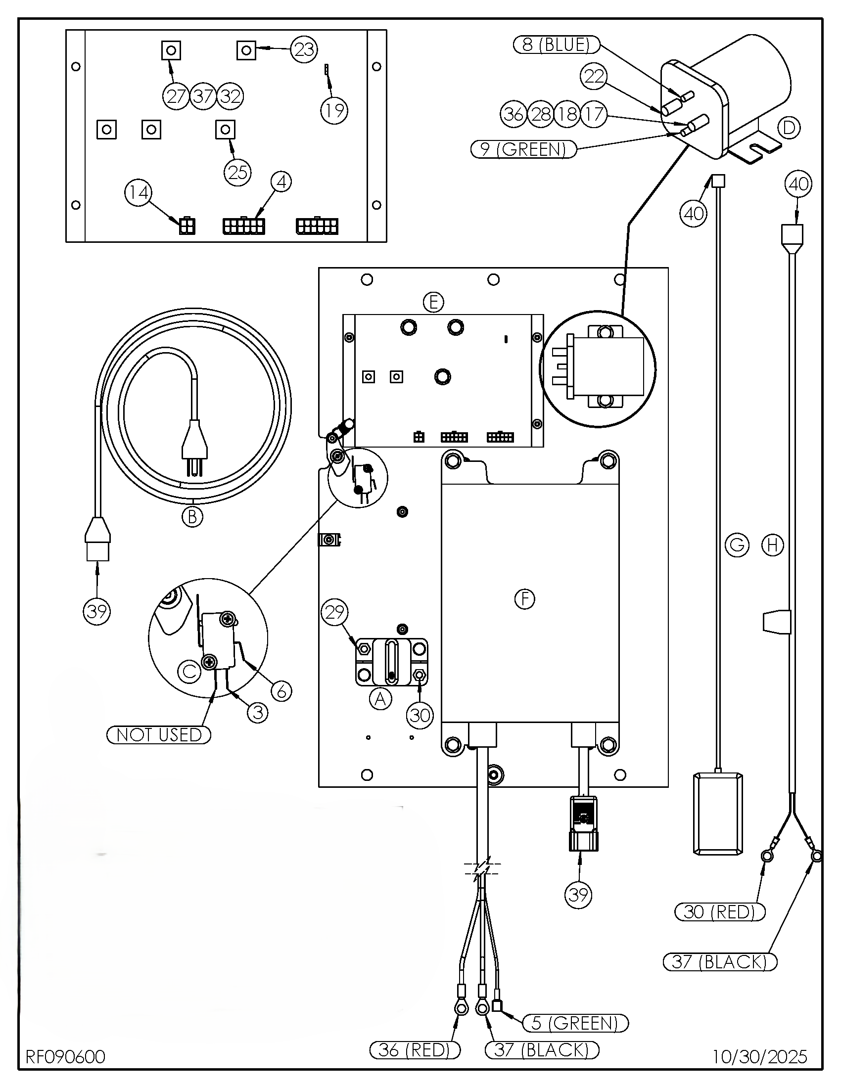
To purchase parts for the 350BU Electrical Connections (RF090600):
- Reference the part needed from the parts diagram and refer to the parts list below.
- Copy the Part Number and paste it into the search window above to see availability and pricing.
- Confirm your parts selection and "Add To Cart".

| Item No | Part Number | QTY | Description |
|---|---|---|---|
| A | MP228800 | 1 | BREAKER, CIRCUIT, 100A, 48V |
| B | MP234300 | 1 | CORD, 14/3, SJT, 6' 7" |
| C | MP318400 | 1 | SWITCH, MICRO, 12V, 15A, 1" LE |
| D | MP544000 | 1 | RELAY 48V, 200A |
| E | MP544800 | 1 | CONTROLLER, 48V, 350A |
| F | MP544901 | 1 | CHARGER, 48V LI BATTERY |
| G | MP562300 | 1 | TELEMATICS, ARMOR 4 BASE UNIT |
| H | MP562320 | 1 | HARNESS, ARMOR 4, 2 WIRE |

| ITEM NO. | QTY | PART NUMBER | DESCRIPTION |
|---|---|---|---|
| A | 1 | MP543900 | BATTERY, 48V LI, ALIUM |
| B | 1 | MP537100 | MOTOR, 48VDC, 5HP, 2000 RPM |
| C | 1 | MP549810 | CABLES, BATTERY, 350BU28LI |
| D | 1 | MP54904 | CABLE, 2 AWG, 1/4 X 5/16 X 16.8 |
| E | 1 | MP549803 | CABLE, NEG, 2 AWG, 1/4 X 5/16 |
| F | 1 | MP549802 | CABLE, POS. 2 AWG, 1/4 X 5/16 |
| G | 1 | MP549801 | CABLE, 2 AWG, 1/4 X 5/16 X 12 |

| ITEM NO. | QTY | PART NUMBER | DESCRIPTION |
|---|---|---|---|
| A | 1 | MP551800 | HARNESS 350BU |
| B | 1 | MP551200 | CABLE, CAN-BUS, 7 PIN |
| C | 1 | MP551700 | HARNESS, 350BU, LCD TO CONTROL |
| D | 1 | MP551900 | CABLE, FUSE TO KEY SWITCH |
| E | 1 | MP552100 | CABLE, B+ TO CONTROL |
| F | 1 | MP552000 | CABLE, 350BU POWER |
| G | 3 | NB083700 | 222-413-CONNECTOR 3-CONDUCTOR |

| ITEM NO. | PART NUMBER | DESCRIPTION | QTY |
|---|---|---|---|
| A | MP544101 | 350BU DISPLAY | 1 |
| B | MP544200 | ASSY, KEY SWITCH | 1 |
| C | MP318400 | SWITCH, MICRO, 12V, 15A, 1" LE | 1 |
