Search Suggestions
Product Suggestions
Available on
{{productSuggestion.AvailableOn}}
/
My Account
My Account
Sign In
My Account
Dashboard
Billing Address
My Profile
Saved Carts
Announcements
Product List
Wish List
Account Balance
Invoice Payment
Schedule Payment
AutoPay Rules
Invoice History
Payment History
Order History
Return History
Quote Cart
Cross Reference Products
Quick Order
Sign Out
My Account
My Account
Back
My Account
Account
Dashboard
Billing Address
My Profile
Saved Carts
Announcements
Product List
Wish List
Invoices and Payments
Account Balance
Invoice Payment
Schedule Payment
AutoPay Rules
Invoice History
Payment History
Your Orders
Order History
Return History
Other
Quote Cart
Cross Reference Products
Quick Order
Sign Out
0
0.00
/
Quantity:
|
Total:
Call Us: 800-367-3550
International
+1-336-372-8080
{{categoryNode1.CategoryNodeInfo.Description}}
{{categoryNode1.CategoryNodeInfo.Description}}
Back
{{categoryNode2.CategoryNodeInfo.Description}}
Back
{{categoryNode3.CategoryNodeInfo.Description}}
MACHINES
CHEMICALS
ACCESSORIES
PARTS
Resources
About
Contact Us
All {{categoryNode2.CategoryNodeInfo.Description}}
Resource Home
Product Support
Warranty Registration
Warranty Claim
Floor Care expertise
Professional Training
Market Segments
Excellence and Innovation
International Products
Home Depot Warranty Claim
About Pioneer Eclipse
About Amano Companies
Amano Environmental
Management Team
Distribution Opportunites
News
Contact Us
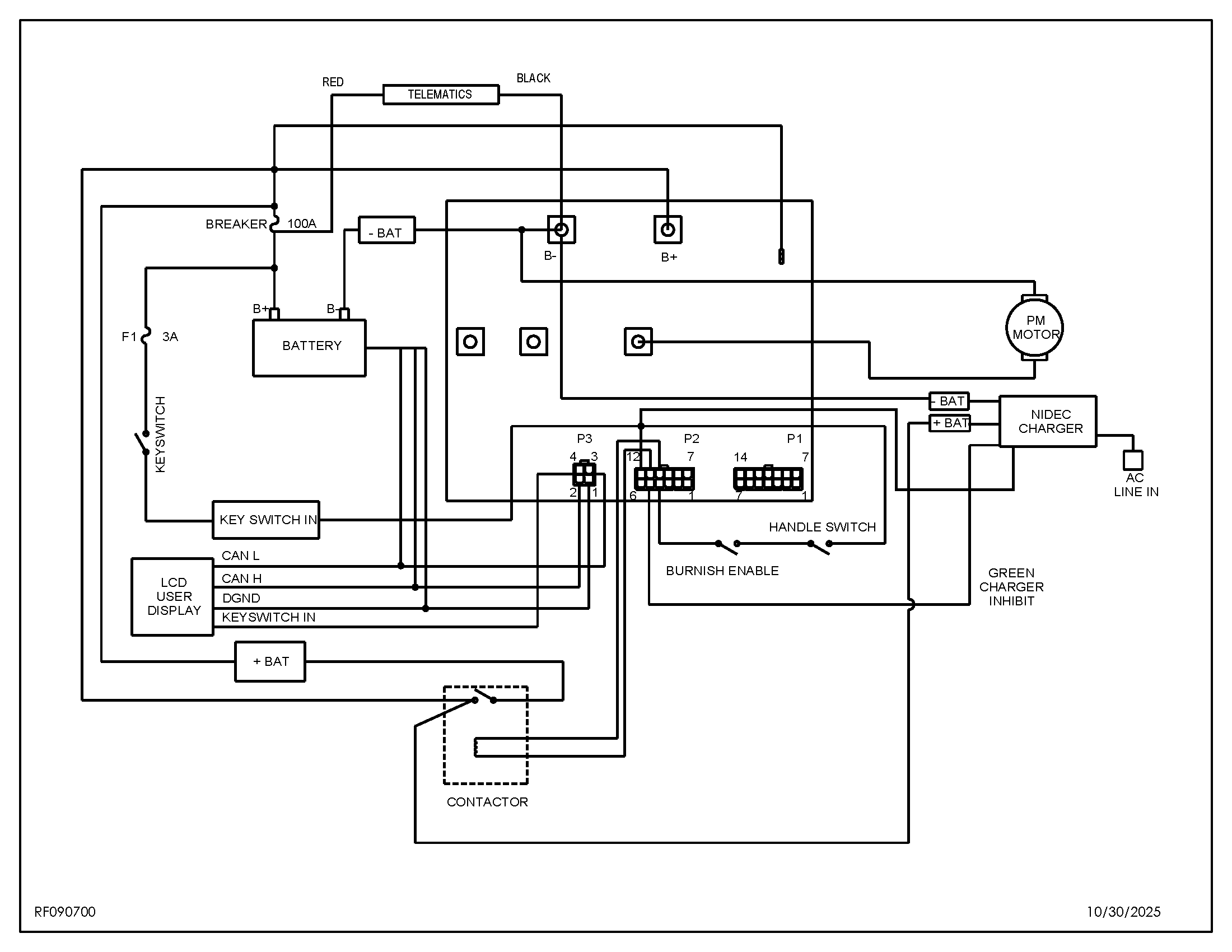
350BU Telematics (RF090700):