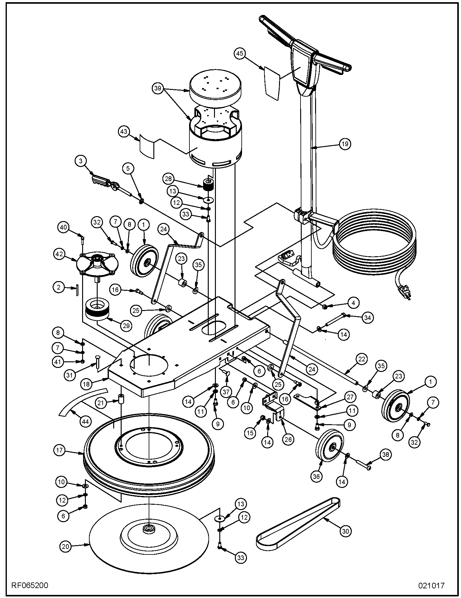
| Item | Part Number | Description | QTY | | Item | Part Number | Description | QTY |
| 1 | 39857A | WHEEL 5 POLISHER | 2 | | 24 | MP502800 | BRACKET, SUPPORT, HANDLE | 2 |
| 2 | MP236800 | KEY, 3/16 X 1 7/8 | 1 | | 25 | MP503700 | SPACER, PIVOT, NYLON,1” OD X .38" ID X .315 L | 2 |
| 3 | 56109699 | CAM ASSY WITH GRIP | 1 | | 26 | MP503000 | BRACKET, WHEEL, WELDMENT | 2 |
| 4 | 920342 | NUT ESNA 3/8-16 | 1 | | 27 | MP504500 | BRACKET, ADJUSTMENT, BELT, ASM | 1 |
| 5 | 980349 | WASHER WEAR CAM | 1 | | 28 | MP503400 | PULLEY, 1.5" DIA., 10 GROOVE, J SECTION | 1 |
| 6 | NB3265 | NUT, LOCK, 5/16”-18, NC | 10 | | 29 | MP503300 | PULLEY, 3.5" DIA., 10 GROOVE, J SECTION | 1 |
| 7 | NB6110 | WASHER, LOCK, 1/4” | 6 | | 30 | MP504300 | BELT, 36”, J SECTION, 10 GROOVE | 1 |
| 8 | NB3350 | WASHER, FLAT, 1/4” | 6 | | 31 | NB073200 | BOLT, CARRIAGE, 5/16-18 X 2 , ZINC | 4 |
| 9 | NB6851 | SCREW, CAP, HH, 3/8-16 X 3/4 | 4 | | 32 | NB019100 | BOLT, HEX, 1/4-20 X 3/4, GD 5 | 2 |
| 10 | NB9267 | WASHER, FLAT, 5/16” | 8 | | 33 | NB9745 | SCREW, CAP, 5/16"-18 X 3/4" | 2 |
| 11 | MX1075 | WASHER, LOCK, 3/8” | 4 | | 34 | NB073300 | BOLT, HEX, TAP, 3/8-16 X 3 1/2 | 1 |
| 12 | NB6111 | WASHER, LOCK, 5/16” | 6 | | 35 | 80295A | WASHER BOWED .516ID X 1.06OD | 2 |
| 13 | NB9505 | WASHER, FLAT, 5/16” X 1 1/2” | 2 | | 36 | MP060800 | WHEEL, 5", PERFORMA, FLAT TREAD, DELRIN | 2 |
| 14 | MX1080 | WASHER, FLAT, 3/8 | 7 | | 37 | NB5000 | BOLT, CARRIAGE, 5/16 X 1 | 4 |
| 15 | NB3267 | NUT, LOCK, 3/8”, NC | 2 | | 38 | NB073100 | SCREW, BH, 3/8-16 X 2 1/2, SS | 2 |
| 16 | 80026A | BOLT SHOULDER 3/8 X 1/2 | 2 | | 39 | MP504100 | MOTOR, 1.5HP, 115V, 3200RPM | 1 |
| 17 | MP478000 | SHROUD, 20”, W/BUMPER, ASM. | 1 | | 39 | MP506000 | MOTOR, 1.5HP, 230V/50HZ, 3200RPM | 1 |
| 18 | MP502300 | FRAME, 225BU, WELDMENT | 1 | | 39A | MP504700 | COVER, BRUSH, MOTOR, REPLACEMENT | 1 |
| 19 | MP474000 | HANDLE, 225FP, ASM. | 1 | | 40 | NB6530 | SCREW, CAP, HH, 1/4-20 X 1 | 4 |
| 19 | MP511000 | HANDLE, EXPORT, ASM, (230V) | 1 | | 41 | NB3275 | NUT, LOCL, 1/4" | 4 |
| 19 | MP507400 | HANDLE, 225BU/FP, BRAZIL, ASM, (127V) | 1 | | 42 | MP504600 | HOUSING, BEARING, SPINDLE, FRONT, ASM. | 1 |
| 20 | MP504000 | PADHOLDER, 20”, MALISH, W/ KEYED RISER | 1 | | 43 | MP504400 | DECAL, HANDLE, 225BU | 1 |
| 21 | MP503600 | STANDOFF, NYLON, .75 DIA. X 1.25L | 4 | | 44 | MP498300 | DECAL, APEC, 3" | 1 |
| 22 | MP503900 | AXLE, REAR, .50 DIA. X 15.43 L | 1 | | 45 | MP007300 | DECAL, KEEP HANDS/FEET (TRILILNG) WHITE | 1 |
| 23 | MP503800 | SPACER, WHEEL, 1” OD X .5” ID X .75L | 2 | | | | | |